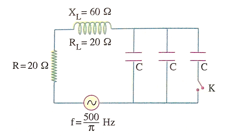
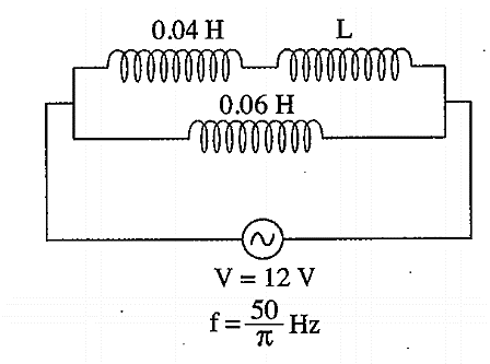
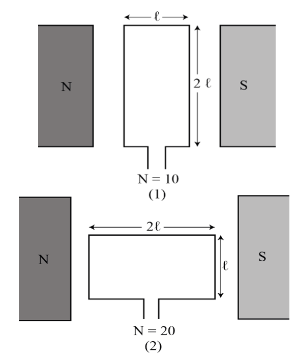
quiz test /47 exam time is 3 hours try to finish before time up. Time Up, Don't worry all your Answers were submitted. 3rd sec Exam 3i - Electricity General Exam - Studying Model The number of attempts remaining is 1 1 / 47 1) In the circuit shown, find the ratio between the ammeter readings (A) before and after switching the key (K) on, neglecting the internal resistance of the battery. A) $$\frac{4}{3}$$ B) $$\frac{1}{2}$$ C) $$\frac{3}{2}$$ D) $$\frac{3}{4}$$ 2 / 47 2) An insulated straight wire ab carries an electric current I, is placed in the plane of a circular coil of radius r, carries an electric current I as well. So, wire ab must be moved distance …… so the net magnetic flux density at the center c vanishes. A) $$\frac{r}{π} \, \text{Upwards}$$ B) $$\frac{π}{r} \, \text{Upwards}$$ C) $$\frac{π}{r} \, \text{Downwards}$$ D) $$\frac{r}{π} \, \text{Downwards}$$ 3 / 47 3) Wire ab tends to move ……… A) upwards B) downwards C) towards right. D) towards left 4 / 47 4) The graph represents the relation between the change in the magnetic flux (m) that is intercepting a coil versus time (t). If you know that the coil consists of 200 turns, then the average induced emf in the coil within the time interval of 0.2 s represented in the graph equals…… A) 0 V B) 60 V C) 30 V D) 45 V 5 / 47 5) In which position for the following commutator and the graphite brushes does the current vanishes in the external circuit of a DC motor? A) a B) b C) Both of the two positions D) Neither the positions 6 / 47 6) The opposite figure represents a motor coil (POQR) of dimensions 15 cm and 10 cm, that has 16 turns of wire and carries an electric current of intensity 4 A. The coil is placed in a uniform magnetic flux of density 680 mT where the coil’s plane is parallel to the magnetic flux lines. Which of the following graphs represents the change in the force (F) which acts on the side OQ that is perpendicular on the axis of rotation of the coil when the coil rotates 90˚ degrees from this position versus the angle of rotation (θ)? A) a B) b C) c D) d 7 / 47 7) What’s the maximum value for the magnetic force acting on wire OQ? A) 0.408 N B) 0.272 N C) 0.6528 N D) 4.352 N 8 / 47 8) The circuit shows five identical filament bulbs designed to work at 15 V connected in a circuit with two switches. Switch P is initially opened while switch Q is closed. Switch P is then closed and switch Q is opened. The change in the voltage difference across bulb x and the ratio between the brightness of bulb y in the first case to that in the second one respectively are …… and …… A) $$\text{15 V} \, \frac{5}{3}$$ B) $$\text{19 V} \, \frac{25}{9}$$ C) $$\text{6 V} \, \frac{25}{9}$$ D) 7.5 V, 4 E) $$\text{9 V} \, \frac{5}{3}$$ 9 / 47 9) The diagram shows the scale of an ohmmeter that is being used to measure an unknown resistance. The resistance of the ohmmeter is 30 kΩ. The angle of full-scale deflection for the ohmmeter 𝜙 = 60∘.The angle of deflection of the ohmmeter arm 𝜃 = 12∘.What is value of the unknown resistance? A) 6 kΩ B) 150 kΩ C) 120 kΩ D) 180 kΩ 10 / 47 10) Three coils of negligible ohmic resistance are connected as in the figure with a source of alternating current. So, the value of the unknown self – induction coefficient (L) which allows an electric current of 3 A to pass in the circuit is…… A) 0.08 mH B) 80 mH C) 40 mH D) 120 mH 11 / 47 11) Which of the following choices represents the specifications of an inductive coil that has the least self – inductance, assuming that they all have the same iron core and the same length? The number of turns of the coil (N) The face area of the coil (A) (a) 100 50 cm2 (b) 200 25 cm2 (c) 300 100 cm2 (d) 400 20 cm2 A) a B) b C) c D) d 12 / 47 12) In an ammeter 0.2 % of main current passes through the galvanometer. If the resistance of the galvanometer is G, the resistance of ammeter will be…… A) $$\frac{1}{499} \, \text{G}$$ B) $$\frac{499}{500} \, \text{G}$$ C) $$\frac{1}{500} \, \text{G}$$ D) $$\frac{500}{499} \, \text{G}$$ 13 / 47 13) When an additional resistance of 1980 Ω is connected in series with a voltmeter, its scale division reads 100 times larger value (its measuring range increases 100 times). The resistance of the voltmeter equals…… A) 10 Ω B) 20 Ω C) 30 Ω D) 40 Ω 14 / 47 14) A capacitor that has a capacitance of 2.3 mF and a resistance of 1 Ω are connected to an AC source that has a potential difference of 200 V and a frequency of 50 Hz, then the current …… A) lags the total voltage by 0.004 s B) leads the total voltage by 0.003 s C) lags the total voltage by 0.002 s D) leads the total voltage by 0.001 s 15 / 47 15) The circuit shown in figure contains AC source of 100 V, frequency of 50 Hz, a capacitor of capacitance 1000μ/π2 F, inductor of inductance 10/π2 H, resistor of 50 Ω, Find: The reactance of coil equals……… A) 1000 Ω B) 318 Ω C) 9869 Ω D) 31006 Ω 16 / 47 16) The circuit shown in figure contains AC source of 100 V, frequency of 50 Hz, a capacitor of capacitance 1000μ/π2 F, inductor of inductance 10/π2 H, resistor of 50 Ω, Find: The reactance of condenser equals………… A) 10π Ω B) 10 Ω C) 100π Ω D) $$3.14 \times 10^{-5} \, \text{Ω}$$ 17 / 47 17) The circuit shown in figure contains AC source of 100 V, frequency of 50 Hz, a capacitor of capacitance 1000μ/π2 F, inductor of inductance 10/π2 H, resistor of 50 Ω, Find: The ratio between the reading of ammeters (A1) and (A2) respectively equals…… A) $$\frac{π}{100}$$ B) 10000 C) 0.098 D) 0.031 18 / 47 18) The circuit shown in figure contains AC source of 100 V, frequency of 50 Hz, a capacitor of capacitance 1000μ/π2 F, inductor of inductance 10/π2 H, resistor of 50 Ω, Find: The power consumed through the whole circuit is……W A) 2 B) 200 C) 300 D) 0.53 19 / 47 19) The circuit shown in figure contains AC source of 100 V, frequency of 50 Hz, a capacitor of capacitance 1000μ/π2 F, inductor of inductance 10/π2 H, resistor of 50 Ω, If the electric source is replaced by another one with the same voltage but double its frequency, then Find: the reading of ammeter (A1) …… A) is doubled B) is halved C) is unchanged D) is vanished 20 / 47 20) Two ideal electric transformers with the same turns ratio, are connected together as shown in the figure. Using the shown data in the figure, then the provided electric power from the AC source equals…… A) 13.75 W B) 27.5 W C) 55 W D) 5 W 21 / 47 21) The circuit shown in figure contains AC source of 100 V, frequency of 50 Hz, a capacitor of capacitance 1000μ/π2 F, inductor of inductance 10/π2 H, resistor of 50 Ω, If the electric source is replaced by another one with the same voltage but double its frequency, then Find: the reading of ammeter (A3) …… A) is doubled B) is halved C) is unchanged D) is vanished 22 / 47 22) The circuit shown in figure contains AC source of 100 V, frequency of 50 Hz, a capacitor of capacitance 1000μ/π2 F, inductor of inductance 10/π2 H, resistor of 50 Ω, If the electric source is replaced by another one with the same voltage but double its frequency, then Find: the reading of ammeter (A2) …… A) is doubled B) is halved C) is unchanged D) is vanished 23 / 47 23) The coil of an AC dynamo consists of 600 turns, the area of each of them is 25 cm2, if the coil is rotated about an axis perpendicular to a uniform magnetic flux of density B with an angular speed (ω), an induced emf is generated that is given from the relation; emf = 12.5 sin (100 π t), then the magnetic flux density (B) is …… A) $$2.7 \times 10^{-6} \, \text{T}$$ B) $$2.7 \times 10^{-4} \, \text{T}$$ C) $$2.7 \times 10^{-2} \, \text{T}$$ D) 2.7 T 24 / 47 24) Which graph represents the change in the emf induced in the dynamo coil during a complete cycle verses time when the coil starts rotation from the following position? A) a B) b C) c D) d 25 / 47 25) The coil of an AC dynamo consists of 600 turns, the area of each of them is 25 cm2, if the coil is rotated about an axis perpendicular to a uniform magnetic flux of density B with an angular speed (ω), an induced emf is generated that is given from the relation; emf = 12.5 sin (100 π t), then The periodic time of the induced current equals…… A) 20 ms B) 40 ms C) 1146 ms D) 10 ms 26 / 47 26) The figure represents two capacitors (1) and (2), capacitor (1) is charged with a charge of 60 μC and capacitor (2) is uncharged. After closing the switch (K), which of the following choices represents the charge on the two capacitors (1) and (2)? The charge Q1 The charge Q2 (a) 40 μC 20 μC (b) 20 μC 40 μC (c) 30 μC 30 μC (d) zero 60 μC A) a B) b C) c D) d 27 / 47 27) As shown in the figure, a battery supplies a steady current to the solenoid on the left. The two solenoids are moving away from each other with speeds v. The direction of the induced current through the resistor R is…… A) from left to right. B) from right to left C) No current is induced D) from left to right, then from right to left 28 / 47 28) Each graph represents the number of current cycles generated by different dynamos (1) and (2) during the same time interval (t). if the two dynamo coils (1) and (2) have the same area and rotate in a magnetic field of the same strength, the ratio of $$\frac{\text{No. of turns in coil (1)}}{\text{No. of turns in coil (2)}}$$ = ……… A) $$frac{1}{6}$$ B) $$frac{1}{8}$$ C) $$frac{1}{4}$$ D) $$frac{1}{2}$$ 29 / 47 29) he opposite graph represents the variation of current intensity (I) through a conductor versus time (t), then the electric charge that has passed through a cross-section of the conductor during 8 s equals……… A) 16 C B) 20 C C) 24 C D) 32 C 30 / 47 30) In the opposite diagram, a coil is placed in a uniform magnetic field in figure (1), if the coil is rotated in a counterclockwise direction until it reached the position in figure (2) then the graph that represents the relation between the magnetic flux penetrating the coil (ϕm) and the included angle (θ) between the direction of the field lines and the coil? A) a B) b C) c D) d 31 / 47 31) A metallic coil that is made of a wire of resistance 0.1 Ω nearly forms a complete circle that has a gap as shown in the opposite figure. If a battery of emf 9 V that has a negligible internal resistance is connected between a and b, and the coil is rewound till it has two turns. So, the torque affecting the coil due to the effect of a uniform magnetic flux of density 0.4 T that is directed parallel to the plane of the ring equals…… A) 9.05 N.m B) 4.52 N.m C) 18.1 N.m D) 2.26 N.m 32 / 47 32) In the circuit shown in the figure, if the maximum value of emf is 220√2 V and the current of the source grows from 0 to 0.1 Imax within 0.1 ms. If the effective value of the electric current passing through the shown circuit equals 0.38 A, the phase angle between the current and the total voltage equals………. A) 30˚ B) 45˚ C) 54˚ D) 60˚ 33 / 47 33) A galvanometer of resistance 40 Ω and current passing through it is 100 μA per division. The full scale has 50 divisions. If it is converted into an ammeter of range 2 A by using a shunt, then the resistance of ammeter is…… A) $$\frac{40}{399} \, \Omega$$ B) $$\frac{4}{399} \, \Omega$$ C) 0.1 Ω D) 0.4 Ω 34 / 47 34) In the electric circuit shown in the figure, then the value of I1 and the accumulated charge on one of the plates of the capacitor equals……, …… A) 1.09 A, 24 μC B) 0.9 A, 14.8 μC C) 1 A, 16.9 μC D) 1.5 A, 12.9 μC 35 / 47 35) In the opposite electric circuit, if (ρe)1 = (ρe)2 = (ρe)3, The ratio between the power consumed through the three conductors, 1, 2, and 3 respectively is …… A) 1 : 1 : 25 B) 8 : 2 : 25 C) 4 : 2 : 5 D) 4 : 1 : 5 36 / 47 36) An electric circuit consists of an AC source, an inductor (L) and an ohmic resistance (R) if the opposite figure represents the phasors of the total voltage (V) across the circuit and the current (I), then the total impedance (Z) of the circuit is given by the relation; A) $$Z = 2X_L$$ B) $$Z = R^2 + X_L^2$$ C) $$Z = 2R$$ D) $$Z = \sqrt{2} R$$ 37 / 47 37) n the following circuit, a battery of negligible internal resistance is connected to three identical bulbs. If the switch S is closed, what will happen to the luminosity of bulb B? A) The luminosity will increase B) The luminosity will decrease C) The luminosity will stay unchanged. D) There is not enough information to determine the answer 38 / 47 38) Which of the following represents the phasor diagram for the voltage (V) across a capacitor and the current (I) in an RC circuit? A) a B) b C) c D) d 39 / 47 39) The following circuit is an RLC circuit, where the total voltage lags the current with 45o and the inductor has a soft iron core. What will happen to the ammeter reading be if we remove the iron core from the inductor? A) It will increase B) It will decrease C) It will remain unchanged D) There isn’t enough information to know 40 / 47 40) In the opposite circuit, if (V1 = 60 V and V2 = 160 V), then the two components X, Y are …… A) a capacitor and an ohmic resistance B) an ohmic resistance and a hot wire ammeter C) a capacitor and an inductor D) an ohmic resistance and a coil 41 / 47 41) The opposite two figures represent two models for the coils of AC dynamo (1) and (2) of number of turns 10 and 20 turns respectively. The flux density that acts on each of the two coils is B and both have the same linear velocity, then the ratio between the maximum induced emf in each coil $$\\frac{\\varepsilon_{\\max 2}}{\\varepsilon_{\\max 1}}$$ is …… A) $$\frac{1}{4}$$ B) $$\frac{1}{2}$$ C) $$\frac{1}{1}$$ D) $$\frac{2}{1}$$ 42 / 47 42) In the shown AC circuit, the reading of ammeter (A) and voltmeter (V) respectively are…, … A) 2 A, 110 V B) √2 A, 110 V C) 2 A, 0 V D) √2 A, 0 V 43 / 47 43) e following graph represents the voltage and the current produced from an AC source connected to an ohmic resistance. So the consumed power through this resistor equals… A) 800 W B) 400√2 W C) 400 W D) 200 W 44 / 47 44) The graph that represents the relation between the induced electric current intensity (I) in the shown coil and time (t) when closing the opposite circuit respectively is………… A) a B) b C) c D) d 45 / 47 45) If the opposite AC circuit, the switch K is opened. If C = 25/3 μF , Calculate the ratio between the power consumed before to after the switch (K) is closed. Check 46 / 47 46) At transferring electric energy from a power station generating 10 MW at which the potential difference equals 25 kV, using two ideal transformers 120 km apart. The first transformer rose the voltage from 25 kV to 400 kV, while the other one reduced it to 230 V only. If the cables resistance between the two transformers is 200/3 µΩ/m. The efficiency of transferring the electric energy equals …… % exactly. Check 47 / 47 47) How many boxes are there on the truck? Check Your score is 0% /47 exam time is 3 hours try to finish before time up. Time Up, Don't worry all your Answers were submitted. 3rd sec Exam 3ii - Electricity General Exam - Creative Thinking Model The number of attempts remaining is 1 1 / 47 1) In the circuit shown, the value of (i) is …… A) 1.818 mA B) 4.375 mA C) 4.545 mA D) 4 mA 2 / 47 2) The opposite graph shows the change of current intensity (I) that passes in a solenoid of self-inductance 1/50 H during 16 ms, so the average induced emf in the coil during the 16 ms equals …… A) 0 V B) – 60 V C) – 24.17 V D) 60 V 3 / 47 3) The opposite graph shows the change of current intensity (I) that passes in a solenoid of self-inductance H during 16 ms, so the electric charges passed through a cross-section of the coil during the first 16 ms equals…… A) 4 mC B) 2 mC C) 16 mC D) 40 mC 4 / 47 4) A galvanometer is connected to a dynamo with a commutator cylinder producing a current that has a low frequency. Which of the following most correctly describes the deflection of the galvanometer pointer? A) The pointer oscillates between two positions, one of which is the zero-position B) The pointer oscillates between two position equidistant from the zero-position C) The pointer remains at the zero-deflection position D) The pointer undergoes uniform circular motion 5 / 47 5) A student moved a metal ring equipped with a handgrip towards and backwards from a bar magnet that is hung by a thread to a stand as in the figure. In which case, (1) or (2), the direction of motion of the magnet becomes the same direction of motion of the ring? A) In Case (1) only B) In Case (2) only C) In both cases D) Neither the cases 6 / 47 6) The opposite graph shows the relation between the terminal voltage of a battery and the current drawn from it, find: The emf of the battery equals…… A) 12 V B) 6 V C) 5.9 V D) 5.75 V 7 / 47 7) The opposite graph shows the relation between the terminal voltage of a battery and the current drawn from it, find: The internal resistance of the source equals…… A) 1.5 Ω B) 1 Ω C) 0.5 Ω D) 0.125 Ω E) 0 Ω 8 / 47 8) The shown metal rod (ab) is of length 75 cm moves as shown in a uniform magnetic field (B) of flux density 0.5 T with velocity 3.6 m/s. The induced emf between its ends (ab) equals…… A) 1.35 V B) 0.42 V C) 9.6 V D) 0 V 9 / 47 9) If the Voltage of the DC source in the primary coil of an ideal transformer is 220 V. The number of turns of the primary coil is 50 times that of the secondary coil. So, what is the voltage across the secondary coil of that transformer? A) 11 kV B) 4.4 V C) 220 V D) 0 V 10 / 47 10) If the number of turns of circular coil is 20 turns and the current intensity passing through it is 5 A and its radius 10 cm then, the magnetic flux density at its center equals…… A) 20 μ. B) 5 μ C) 500 μ. D) 100 μ. E) 10 μ 11 / 47 11) A sensitive galvanometer of resistance 15 Ω was connected to different shunts to convert it to an ammeter of different ranges. Which figure represent the ammeter that has maximum accuracy? A) a B) b C) c D) d 12 / 47 12) The following graph shows the growth of current through the shown circuit at switching its key on. So, the value of the battery voltage equals…… A) 10 V B) 7.5 V C) 1 V D) 0.4 V 13 / 47 13) At the moment of switching the key (k) on in coil (x) circuit, the voltmeter reading… and the glowing of lamp in coil (Y) circuit………. A) increases, increases B) decreases, decreases C) increases, decreases D) decreases, increases 14 / 47 14) The shown graph represents the voltage and the current produced from an AC source connected to a lamp. So, the graph represents the consumed power through the lamp is…… A) a B) b C) c D) d 15 / 47 15) The number of turns between each pair of output terminals of a transformer is shown in the diagram. Between which two terminals will the output be 18V? A) P and Q B) Q and R C) R and S D) P and R E) Q and S F) P and S 16 / 47 16) The circuit shown in figure contains AC source of 100 V, frequency of 50 Hz, a capacitor of capacitance 1000/π2 μF , inductor of inductance 10/π2 H, resistor of 50 Ω, So, the circuit resonance frequency equals…… A) 50 Hz B) 15.7 Hz C) 8.86 Hz D) 0.0157 Hz 17 / 47 17) The circuit shown in figure contains AC source of 100 V, frequency of 50 Hz, a capacitor of capacitance 1000/π2 μF , inductor of inductance 10/π2 H, resistor of 50 Ω, So, the quantity of charges on the condenser equals…… A) 7.2 mC B) 10132 C C) 10 mC D) 30.8 mC 18 / 47 18) The circuit shown in figure contains AC source of 100 V, frequency of 50 Hz, a capacitor of capacitance 1000/π2 μF , inductor of inductance 10/π2 H, resistor of 50 Ω, So, the equivalent reactance for the circuit shown equals…… A) 308 Ω B) 318 Ω C) 350 Ω D) 287 Ω E) 969 Ω F) 28.59 Ω 19 / 47 19) The circuit shown in figure contains AC source of 100 V, frequency of 50 Hz, a capacitor of capacitance 1000/π2 μF , inductor of inductance 10/π2 H, resistor of 50 Ω, So, the ratio between the reading of ammeters (A1) and (A2) respectively at resonance equals…… A) π/100 B) 1 C) 0.098 D) 0.031 20 / 47 20) The circuit shown in figure contains AC source of 100 V, frequency of 50 Hz, a capacitor of capacitance 1000/π2 μF , inductor of inductance 10/π2 H, resistor of 50 Ω, So, In the opposite electric circuit, on replacing the AC source with a DC one of the same emf, the readings of ammeter: (A1) (A2) (A3) (a) decreases increases increases (b) increases vanishes unchanged (c) decreases vanishes decreases (d) increases decreases unchanged A) a B) b C) c D) d 21 / 47 21) The following graph represents the relation between the output and the input voltage of a transformer which loses 20 % of its power, the ratio Np/Ns equals…… A) 2 B) 0.5 C) 0.1 D) 1.6 E) 0.4 F) 4 22 / 47 22) The opposite graph shows the phase shift between the total voltage and the current in a certain AC circuit, so this circuit may contain…… A) a pure inductor B) only a capacitor. C) a pure resistor. D) an inductor with a resistor where (XL > R). E) a capacitor with a resistor where (XC > R). F) an inductor with a resistor where (XL < R). G) a capacitor with a resistor where (XC < R). 23 / 47 23) The opposite graph shows the phase shift between the total voltage and the current in a certain AC circuit, If the total voltage changes with time according to the relation, so the relation that represents the change of the current intensity with time is…… A) $$I = I_{\max} \sin(\omega t)$$ B) $$I = I_{\max} \sin(\omega t + 53^\circ)$$ C) $$I = I_{\max} \sin(\omega t + 90^\circ)$$ D) $$I = I_{\max} \sin(\omega t - 53^\circ)$$ 24 / 47 24) The opposite graph represents the change of the potential difference across the two plates of a capacitor of capacitance 50 µF, connected with a battery, verses time (t). Find the intensity of the current passing in the capacitor during the 12 ms. A) 0.1 A B) 0.042 A C) 0.071 A D) 0.0001 A 25 / 47 25) Which graph represents the change in the magnetic flux () penetrating a rectangular coil, of 16 turns and 2 A current intensity, and the magnetic torque (τ) acting upon it during a complete cycle verses time, when the coil starts rotation from the following position? A) a B) b C) c D) d 26 / 47 26) The total capacitance in the shown circuit is……… F. A) 9 B) 8 C) 354µ D) 398µ 27 / 47 27) At switching on a circuit contains a 6 V battery, an inductive coil, a fluorescent lamp and a switch... A) electric spark occurs between its terminals B) the lamp doesn't glow C) the lamp glows gradually D) the lamp glows momentarily. 28 / 47 28) For the shown transformer, what happens to the reading of the ammeter (A) by switching off the switch (S2)? A) It increases B) It doesn’t change C) It decreases D) It vanishes 29 / 47 29) The relation between the reactance of a condenser (XC) and the periodic time (T) of rotation of an AC source coil connected to it is represented as shown, The capacity of the condenser equals … F. A) 32µ B) 32m C) 5000µ D) 5µ E) 795m F) 795 30 / 47 30) The diagram shows an incorrectly connected circuit. The ammeter has a resistance of 0.1 Ω and the voltmeter has a resistance of 1 MΩ. Which statement is correct? A) The ammeter reads 2 mA B) The ammeter reads 20 A C) The voltmeter reads zero D) The voltmeter reads 2 V 31 / 47 31) The difference between diagram (a) and (b) is…… A) design (b) is cheaper than design (a). B) design (b) produces a higher frequency output voltage than design (a). C) design (b) produces a lower output voltage than design (a). D) design (b) produces a higher output voltage than design (a). E) design (b) produces a lower frequency output voltage than design (a). 32 / 47 32) The following figure shows a generator coil, generates an induced current, reverses its direction every 20 ms. Then, its linear velocity equals…… m/s. A) $$\frac{5}{2} \, \text{π}$$ B) 3π C) 50π D) 6π E) 200π F) 250π 33 / 47 33) he following figure shows a generator coil, generates an induced current, reverses its direction every 20 ms. Then, The direction of rotation of the dynamo coil is …… A) clockwise B) anti-clockwise C) It won’t rotate at all 34 / 47 34) The following graph shows a part of an electric circuit, where the electric potential at point x equals 12 V. So, the electric potential at point y equals…… A) 8 V B) 2 V C) 6 V D) – 4 V E) 4 V F) 0 V 35 / 47 35) In the shown figure, a metallic square frame moves where there is a uniform magnetic field directed upwards, and due to the metallic square frame’s motion, current is induced through it. The small blue spheres represent the electrons moving through this frame, and the blue arrow shows the direction of their motion. So, the metallic square frame moves …… A) towards the magnetic field B) away from the magnetic field C) rightwards the magnetic field D) leftwards the magnetic field 36 / 47 36) Diagrams (a) and (b) show sections of equal length and equal cross-sectional area of two conducting objects made from two different materials at the same temperature. Free electrons move in the conductors and collide with the atoms of their materials repeatedly. Which of the following statements is correct? A) The resistivity of the material in diagram (a) is greater than the resistivity of the material in diagram (b). B) The resistivity of the material in diagram (a) is lower than the resistivity of the material in diagram (b). C) The resistivity of the material in diagram (a) is equal to the resistivity of the material in diagram (b). 37 / 47 37) The shown graph represents the change of the induced potential difference across a coil of, verses time (t). So, the graph represents the change in the magnetic flux passing through the coil during the same time interval is……. A) a B) b C) c D) d 38 / 47 38) The opposite figure represents the phasors of the total voltage (V) and current (I) in an AC circuit, where the AC source is connected with two components only, then the total impedance of the circuit (Z) is given by the relation…… A) $$Z = 2X_C$$ B) $$Z = R^2 + X_C^2$$ C) $$Z = 2R$$ D) $$Z = \sqrt{2} X_C$$ 39 / 47 39) In the opposite electric circuit, the accumulated positive charge on the capacitor is…… A) 10 μC B) 30 μC C) 40 μC D) 50 μC 40 / 47 40) In the Induction furnaces, ……… A) siliconic soft iron cores are used. B) they divide the iron cores into thin sheets C) they divide the iron cores into thick sheets D) they increase the rotational speed of the AC source used 41 / 47 41) Two resistors of value 1 KΩ and 4 KΩ are connected in series across a constant voltage supply of 100 volt. A voltmeter has an internal resistance of 12 KΩ is connected across the 4 KΩ resistor. What is percentage of the error in the voltmeter reading? A) – 12.5 % B) – 6.25 % C) – 3.25 % D) + 4.5 % 42 / 47 42) If the solenoid which is shown in the opposite figure is pulled away from the metal ring, what is the direction of the induced current in the metal ring relative to the observer? A) Clockwise B) Anti – clockwise C) Towards right D) Towards left 43 / 47 43) For the shown transformer, what happens to the reading of the ammeter by increasing the number of turns of the secondary coil more than that of the primary? A) It increases B) It doesn’t change C) It decreases D) It vanishes 44 / 47 44) Three different resonant circuits in three radio receivers, are tuned for a period of time to pick up three broadcast stations’ signals, the ratio between their frequencies is 2 : 3 : 5. If the three circuits adjusted on the same inductance, then the ratio between their capacitors’ capacitances is … A) 2 : 3 : 5 B) 5 : 3 : 2 C) 15 : 10 : 6 D) 225 : 100 : 36 E) √15 : √10 : √6 45 / 47 45) AC dynamo gives (emf)effective = 200 V. So, the average emf during fifth cycle equals…… V. APPROXIMATE YOUR ANSWER TO THE NEAREST VOLT (NO DECIMAL POINT) Check 46 / 47 46) The following graph represents the AC current generated from AC dynamo coil verses time. So, the average induced current during 35 ms equals…… A. APPROXIMATE YOUR ANSWER TO THE NEAREST AMPERE (NO DECIMAL POINT) Check 47 / 47 47) What do you call a Magician who lost his magic? A) Lenz B) Magnetic Flux C) Magnetic Dipole Moment D) Faraday E) Mutual Induction F) Magnetic Field Density Your score is 0%